所属分类:直流无刷电机驱动器
所属系列:FOC系列
更新日期:2025-03-10


品牌:艾思控 型号:AQMD2408BLS-MF 电压范围:9-24V 额定电流:8A 最大电流:16A(倍流)/10A(非倍流) 控制信号:电位器、模拟量、PWM、脉冲、频率、开关、RS485/CAN 调速方式:占空比、闭环调速、位置控制、力矩控制 适用电机:直流有感无刷电机 最大匹配电机:12V-45W, 24V-130W |
|
| AQMD_BLS系列电机驱动器使用先进的电机电流精确检测技术、有感无刷电机自测速、有感无刷电机转动位置检测、再生电流恒电流制动与加速度控制技术和PID调节技术可完美地控制电机平稳正反转、换向及制动,输出电流实时调控防止过流,精准控制电机转速和转动位置,电机响应时间短且反冲力小。 | |
功能特点◆ 电压范围9~24V,额定输出电流8A,最大电流16A; |
电机的三电源线或三霍尔信号线,可不按顺序与驱动器连接,只需一键操作,对电机霍尔顺序进行学习,通过对电机6次换向控制后学习即完成,电机方可正常驱动。 |

| 支持电位器、模拟量、PWM/频率/脉冲、485/CAN多种控制信号,支持电机开环调速、闭环调速、位置控制、力矩控制多种工作模式。 |

| 支持倍流输出,从而实现至多2倍额定力矩启动和2倍额定力矩超载运行;可设定倍流时间,防止电机长时间超载运行而损坏;同时,驱动器对内部温度实时监控,当温度达到设定值时,禁用倍流或关断输出,从而保护驱动器。 |

| 驱动器时间-位置闭环调速算法可使电机在低速运行时刚性强,低至60RPM转速也可大力矩闭环调速控制。 |

| 驱动器先进的位置控制算法可根据给定的加速度和最大速度按照牛顿运动定律控制电机在高速运行情况下也能精准平稳定位。 |

| 可控制电机产生与电机转动方向相反的转矩并进行加速度控制,从而无论水平或竖直运动,闭环调速和位置控制均能可靠控制。 |

| 场定向矢量控制(FOC)为SVPWM输出方式,具有电机输出力矩脉动小、噪声小的特点,驱动器开环调速、闭环调速和位置控制均支持FOC方式,并支持方波驱动方式与FOC方式自由切换。 |

| 对于常规的运动过程控制,可通过一段自定义过程脚本实现运动过程逻辑控制,从而省掉PLC这样的逻辑控制器。 |

| 电压、电流、温度实时监控,过热、过流、堵转、异常电流保护、共模电压保护多重保护,驱动器工作更稳定可靠。 |


注:配常规减速机后本驱动器可实现1mm或1度精度的定位控制。
注:额定电流为常温常规通风环境长时间限流堵转后功率管附近温度不超过85℃的电流。
典型用法1. 单电位器占空比/闭环调速点动控制的接法

| 点动控制方式使用电位器调速的工作过程为:按下B1,电机正转,使用电位器调速;B1弹起,电机停止;当正转限位后电机停止,再按B1无效;按下B2,电机反转,使用电位器调速;B2弹起,电机停止;当反转限位时电机停止,再按B2无效。 |
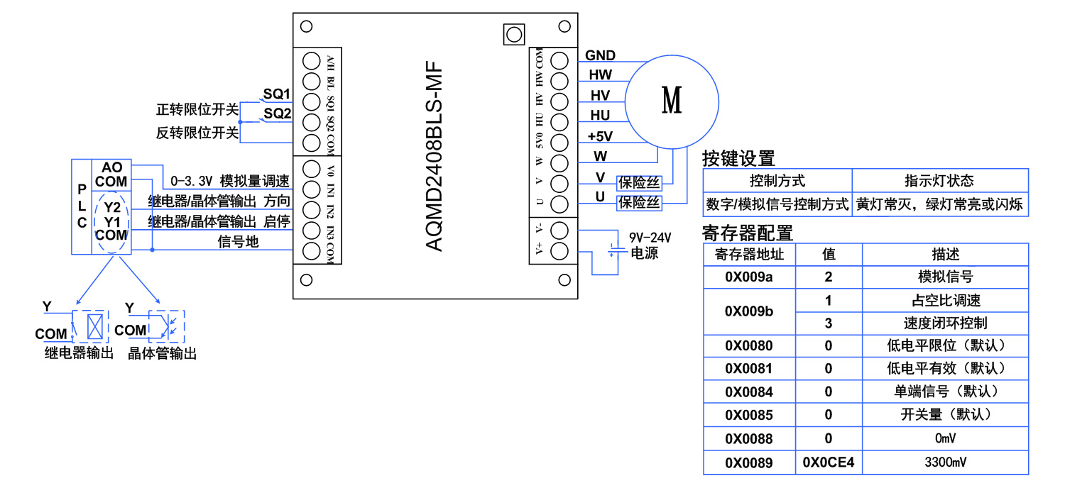
2. PLC模拟信号占空比/闭环调速的接法

| 此接法的工作过程为:IN1与PLC的AO端口连接,用于调速;IN2与PLC的Y2连接,控制电机方向;IN3与PLC的Y1连接,控制电机紧急停止。 |
3. 单片机PWM信号占空比/闭环调速的接法

| 此接法的工作过程为:单片机的电源地接驱动模块的COM口;IN1脚接单片机的PWM的输出,用于调速;IN2和IN3与单片机的两个IO相连,控制电机正反转及紧急制动。 |
4. 单片机脉冲信号位置控制的接法

| 此接法的工作过程为:单片机的电源地接驱动模块的COM口;IN1与单片机的IO1相连,来确定脉冲的个数,用于电机位置控制;VO与单片机的IO0相连,用于完成信号控制;IN2和IN3与单片机的两个IO相连,控制电机正反转及紧急制动。 |
5. 485多站点控制的接法

| 每台驱动器的485通讯线按A-A、B-B的方式并联后跟一台485主站相连,485主站通过驱动器配置的从站地址来对每台驱动器独立操作。每一个驱动器配置的地址应不同,不能与其它驱动器重复。 |
6. CAN多节点控制的接法

| 每台驱动器的CAN通讯线按CANH-CANH、CANL-CANL的方式并联后与CAN客户端相连,在CAN总线上至少并联一个120Ω的电阻,CAN客户端通过驱动器配置的节点ID来对每台驱动器独立操作。每一个驱动器配置的节点ID应不同,不能与其它驱动器重复。 |
提供PC机示例程序,可用来配置参数、调试电机或二次开发。


AQMD_BLS系列直流有感无刷电机驱动器选型表
